联系人:赵经理
手 机:18761031608
电 话:0523-87669448
QQ :1848859180
邮 件:1848859180@qq.com
传 真:0523-87669448
网 址:www.taixing-jsj.com.cn
地 址:泰兴市姚王镇泰姚北路10号
YZWI YZWII型外装电动滚筒型号说明
一、产品用途及特点
1.用途:
YZW型外装式电动滚筒是为各种带式输送机、斗式提升机、卷扬机等配套的新型驱动装置。
2. 主要特点:
a. 该产品的减速机构采用摆线针轮传动,使电机外露与滚筒直联,可取代电动机一减速机一传动滚筒组成的老式驱动装置。
b. 克服了渐开线齿轮电动滚筒易损坏的缺点,具有过载能力强,运转平稳,效率高等优点。
c. 电机外联改变了散热条件,且安装维修方便,避免了电动机遭油浸蚀,延长了使用寿命。
d. 设有先进的逆止装置,可防止上运物料停机时皮带下滑。
e. 滚筒表面覆盖人字形、菱形等多种花纹胶层,以提高牵引胶带的能力。
f. 也可配用防爆电机,应用于有防爆要求的场合。
二、标记示例:

1、滚筒旋转方向必须面对电机尾部观察,顺时针旋转标注“S”,逆时针旋转标注“N”,不需逆止时,则不标注滚筒旋转方向代号。
2、滚筒必须在输出扭矩范围内使用,其输出扭矩按下式计算:

式中:M——扭矩(Nm)D——滚筒直径(m)P——功率(kW)V——带速(m/ s)
YZW315(320)、YZW400、YZW500、YZW630、YZW800、YZW1000、型外装电动滚筒基本参数
直径 (mm) | 功率 (Kw) | 带宽(mm) | 表 面 线 速 度 (m/s) | 质量(Kg) | ||||||||||
315(320) | 0.25 | 0.32 | 0.4 | 0.55 | 0.63 | 0.8 | 1.0 | 1.25 | 1.6 | 2 | 2.5 | |||
1.5 | 500 | · | · | · | · | · | · | · | 198 | |||||
650 | · | · | · | · | · | · | · | 210 | ||||||
2.2 | 500 | · | · | · | · | · | · | · | · | · | 200 | |||
650 | · | · | · | · | · | · | · | · | · | 210 | ||||
3 | 500 | · | · | · | · | · | · | 230 | ||||||
650 | · | · | · | · | · | · | 240 | |||||||
800 | · | · | · | · | · | · | 245 | |||||||
4 | 500 | · | · | · | · | · | · | 240 | ||||||
650 | · | · | · | · | · | · | 245 | |||||||
800 | · | · | · | · | · | · | 258 | |||||||
400 | 1.5 | 500 | · | · | · | · | 225 | |||||||
650 | · | · | · | · | 235 | |||||||||
800 | · | · | · | · | 250 | |||||||||
2.2 | 500 | · | · | · | · | · | · | · | · | · | 230 | |||
650 | · | · | · | · | · | · | · | · | · | 240 | ||||
800 | · | · | · | · | · | · | · | · | · | 255 | ||||
3 | 500 | · | · | · | · | · | · | · | · | · | 260 | |||
650 | · | · | · | · | · | · | · | · | · | 280 | ||||
800 | · | · | · | · | · | · | · | · | · | 290 | ||||
4 | 800 | · | · | · | · | · | · | · | · | · | 270 | |||
650 | · | · | · | · | · | · | · | · | · | 280 | ||||
800 | · | · | · | · | · | · | · | · | 295 | |||||
5.5 | 500 | · | · | · | · | 305 | ||||||||
650 | · | · | · | · | 320 | |||||||||
800 | · | · | · | · | 340 | |||||||||
直径(mm) | 功率(Kw) | 带宽(mm) | 表 面 线 速 度 (m/s) | 质量(Kg) | |||||||||
500 | 0.40 | 0.55 | 0.63 | 0.8 | 1.0 | 1.25 | 1.6 | 2.0 | 2.5 | 3.15 | |||
1.5 | 500 | · | · | · | · | · | 290 | ||||||
650 | · | · | · | · | · | 305 | |||||||
800 | · | · | · | · | · | 320 | |||||||
2.2 | 500 | · | · | · | · | · | · | 295 | |||||
650 | · | · | · | · | · | · | 310 | ||||||
800 | · | · | · | · | · | · | 325 | ||||||
3 | 500 | · | · | · | · | · | · | · | · | 340 | |||
650 | · | · | · | · | · | · | · | · | 360 | ||||
800 | · | · | · | · | · | · | · | · | 375 | ||||
4 | 500 | · | · | · | · | · | · | · | · | 350 | |||
650 | · | · | · | · | · | · | · | · | 365 | ||||
800 | · | · | · | · | · | · | · | · | 380 | ||||
5.5 | 500 | · | · | · | · | · | · | · | · | 420 | |||
650 | · | · | · | · | · | · | · | · | 430 | ||||
800 | · | · | · | · | · | · | · | · | 450 | ||||
7.5 | 500 | · | · | · | · | · | 440 | ||||||
650 | · | · | · | · | · | 455 | |||||||
800 | · | · | · | · | · | 470 | |||||||
11 | 500 | · | · | · | · | · | · | · | · | · | 510 | ||
650 | · | · | · | · | · | · | · | · | · | 535 | |||
800 | · | · | · | · | · | · | · | · | · | 560 | |||
15 | 500 | · | · | · | · | · | · | · | · | · | 540 | ||
650 | · | · | · | · | · | · | · | · | · | 565 | |||
800 | · | · | · | · | · | · | · | · | 590 | ||||
18.5 | 500 | · | · | · | · | 570 | |||||||
650 | · | · | · | · | 600 | ||||||||
800 | · | · | · | · | 635 | ||||||||
22 | 500 | · | · | · | · | 605 | |||||||
650 | · | · | · | · | 640 | ||||||||
800 | · | · | · | · | 675 | ||||||||
直径(mm) | 功率(Kw) | 带宽(mm) | 表 面 线 速 度 (m/s) | 质量(Kg) | ||||||||
630 | 0.55 | 0.63 | 0.8 | 1.0 | 1.25 | 1.6 | 2.0 | 2.5 | 3.15 | |||
7.5 | 650 | · | · | · | · | · | 615 | |||||
800 | · | · | · | · | · | 640 | ||||||
1000 | · | · | · | · | · | 680 | ||||||
1200 | · | · | · | · | · | 720 | ||||||
11 | 650 | · | · | · | · | · | · | · | · | 700 | ||
800 | · | · | · | · | · | · | · | · | 725 | |||
1000 | · | · | · | · | · | · | · | · | 770 | |||
1200 | · | · | · | · | · | · | · | · | 820 | |||
15 | 800 | · | · | · | · | · | · | · | · | 750 | ||
1000 | · | · | · | · | · | · | · | · | 790 | |||
1200 | · | · | · | · | · | · | · | · | 840 | |||
18.5 | 800 | · | · | · | · | · | · | · | · | 800 | ||
1000 | · | · | · | · | · | · | · | · | 845 | |||
1200 | · | · | · | · | · | · | · | · | 890 | |||
1400 | · | · | · | · | · | · | · | · | 950 | |||
22 | 800 | , , · | · | · | · | · | · | · | · | 890 | ||
1000 | · | · | · | · | · | · | · | · | 940 | |||
1200 | · | · | · | · | · | · | · | · | 995 | |||
1400 | · | · | · | · | · | · | · | · | 1050 | |||
30 | 800 | · | · | · | · | · | · | 1040 | ||||
1000 | · | · | · | · | · | · | 1090 | |||||
1200 | · | · | · | · | · | · | 1150 | |||||
1400 | · | · | · | · | · | · | 1210 | |||||
37 | 800 | · | · | · | · | 1100 | ||||||
1000 | · | · | · | · | 1160 | |||||||
1200 | · | · | · | · | 1220 | |||||||
1400 | · | · | · | · | 1280 | |||||||
45 | 800 | · | · | · | · | 1200 | ||||||
1000 | · | · | · | · | 1280 | |||||||
1200 | · | · | · | · | 1360 | |||||||
1400 | · | · | · | · | 1430 | |||||||
直径(mm) | 功率(Kw) | 带宽(mm) | 表 面 线 速 度 (m/s) | 质量(Kg) | ||||||||
800 | 0.63 | 0.8 | 1.0 | 1.25 | 1.6 | 2.0 | 2.5 | 3.15 | 4.0 | |||
7.5 | 1000 | · | · | · | · | 840 | ||||||
1200 | · | · | · | · | 880 | |||||||
1400 | · | · | · | · | 930 | |||||||
11 | 1000 | · | · | · | · | · | · | · | 930 | |||
1200 | · | · | · | · | · | · | · | 970 | ||||
1400 | · | · | · | · | · | · | · | 1030 | ||||
15 | 1000 | · | · | · | · | · | · | · | 1010 | |||
1200 | · | · | · | · | · | · | · | 1060 | ||||
1400 | · | · | · | · | · | · | · | 1115 | ||||
18.5 | 1000 | · | · | · | · | · | · | · | 1060 | |||
1200 | · | · | · | · | · | · | · | 1120 | ||||
1400 | · | · | · | · | · | · | · | 1175 | ||||
22 | 1000 | · | · | · | · | · | · | · | 1160 | |||
1200 | · | · | · | · | · | · | · | 1220 | ||||
1400 | · | · | · | · | · | · | · | 1280 | ||||
30 | 1000 | · | · | · | · | · | · | 1320 | ||||
1200 | · | · | · | · | · | · | 1380 | |||||
1400 | · | · | · | · | · | · | 1430 | |||||
37 | 1000 | · | · | · | 1430 | |||||||
1200 | · | · | · | 1490 | ||||||||
1400 | · | · | · | 1550 | ||||||||
45 | 1000 | · | · | · | 1970 | |||||||
1200 | · | · | · | 2030 | ||||||||
1400 | · | · | · | 2100 | ||||||||
1000 | 15 | 1000 | · | · | · | · | · | · | 1225 | |||
1200 | · | · | · | · | · | · | 1290 | |||||
1400 | · | · | · | · | · | · | 1355 | |||||
18.5 | 1000 | · | · | · | · | · | · | 1285 | ||||
1200 | · | · | · | · | · | · | 1350 | |||||
1400 | · | · | · | · | · | · | 1410 | |||||
直径 (mm) | 功率 (Kw) | 带宽 (mm) | 表 面 线 速 度 (m/s) | 质量(Kg) | ||||||||
1000 | 0.63 | 0.8 | 1.0 | 1.25 | 1.6 | 2.0 | 2.5 | 3.15 | 4.0 | |||
22 | 1000 | · | · | · | · | · | · | 1390 | ||||
1200 | · | · | · | · | · | · | 1470 | |||||
1400 | · | · | · | · | · | · | 1535 | |||||
30 | 1000 | · | · | · | · | · | 1560 | |||||
1200 | · | · | · | · | · | 1630 | ||||||
1400 | · | · | · | · | · | 1700 | ||||||
37 | 1000 | · | · | · | 1670 | |||||||
1200 | · | · | · | 1745 | ||||||||
1400 | · | · | · | 1820 | ||||||||
45 | 1200 | · | · | · | 2410 | |||||||
1400 | · | · | · | 2490 | ||||||||
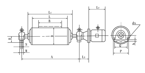
YZW315(320)、YZW400、YZW500、YZW630、YZW800、YZW1000、型外装式电动滚筒外形及安装尺寸

D | BB | A | L | L1 | L2 | H | M | N | P | Q | dS | h | L2 | |
315(320) | 500 | 850 | 600 | ≤732 | 按 电 机 | 120 | 90 | 340 | 280 | 27 | 35 | Y100 Y112 | 131 | |
650 | 1000 | 750 | ≤882 | |||||||||||
800 | 1300 | 950 | ≤1032 | Y132 | 151 | |||||||||
400 | 500 | 850 | 600 | ≤744 | 120 | 90 | 340 | 280 | 27 | 35 | Y100 Y112 | 131 | ||
650 | 1000 | 750 | ≤894 | |||||||||||
800 | 1300 | 955 | ≤1044 | Y132 | 151 | |||||||||
500 | 500 | 850 | 600 | ≤748 | 100 | 70 | 340 | 280 | 27 | 35 | Y100 Y112 | 131 | ||
620 | Y132 | 147 | ||||||||||||
650 | 1000 | 750 | ≤900 | 120 | 90 | Y160M | 187 | |||||||
800 | 1300 | 950 | ≤1100 | 120 | 90 | Y160L Y180 | 210 | |||||||
630 | 650 | 1000 | 750 | ≤868 | 120 | 90 | 340 | 280 | 27 | 35 | Y160M | 194 | ||
800 | 1300 | 950 | ≤1068 | 140 | 130 | 80 | 400 | 330 | 27 | 35 | Y160L Y180 | 205 | ||
1000 | 1500 | 1150 | ≤1268 | 140 | 130 | 80 | 400 | 330 | 27 | 35 | ||||
Y200 | 203 | |||||||||||||
1200 | 1750 | 1400 | ≤1514 | 160 | 160 | 90 | 440 | 360 | 34 | 50 | ||||
Y225 | 238 | |||||||||||||
1400 | 2000 | 1600 | ≤1720 | 160 | 160 | 90 | 440 | 360 | 34 | 50 | ||||
800 | 1000 | 1500 | 1150 | ≤1268 | 140 | 145 | 80 | 400 | 330 | 27 | 35 | Y160 Y180 | 200 | |
1200 | 1750 | 1400 | ≤1514 | 160 | 160 | 90 | 440 | 360 | 34 | 50 | Y200 | 210 | ||
1400 | 2000 | 1600 | ≤1720 | 160 | 160 | 90 | 440 | 360 | 34 | 50 | Y225 | 240 | ||
1000 | 1000 | 1500 | 1150 | ≤1268 | 140 | 145 | 80 | 400 | 330 | 27 | 35 | Y160 Y180 | 200 | |
1200 | 1750 | 1400 | ≤1514 | 160 | 160 | 90 | 440 | 360 | 34 | 50 | Y200 | 210 | ||
1400 | 2000 | 1600 | ≤1720 | 160 | 160 | 90 | 440 | 360 | 34 | 50 | Y225 | 240 | ||