联系人:赵经理
手 机:18761031608
电 话:0523-87669448
QQ :1848859180
邮 件:1848859180@qq.com
传 真:0523-87669448
网 址:www.taixing-jsj.com.cn
地 址:泰兴市姚王镇泰姚北路10号
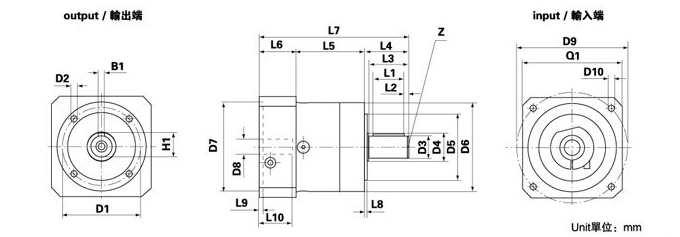
特点:圆柱形外壳,体积小,结构紧凑,输出端面连接,安装简便。
应用领域:主要使用在包装机械、切割设备、纺织印染设备等行业。
技术参数:
外形尺寸:40mm---160mm
减速比: 3---512
传递力矩:5Nm---895Nm
精密侧隙:≤5arcmin
安装方式:任意




















