欢迎来到泰星减速机股份有限公司官网!

联系我们

联系人:赵经理

手  机:18761031608

电   话:0523-87669448

QQ    :1848859180

邮  件:1848859180@qq.com

传  真:0523-87669448

网  址:www.taixing-jsj.com.cn

地  址:泰兴市姚王镇泰姚北路10号

泰星轴装式减速机

您的当前位置:>> 泰星减速机>> 泰星轴装式减速机

TW、TWC系列轴装式减速机

  • 所属分类: 泰星轴装式减速机

  • 名称:TW、TWC系列轴装式减速机
  • 点击次数:
  • 发布日期:2019-11-12 10:06:37
  • 简介:概述TW系列减速机为平行轴式减速传动装置,该产品吸取了国内外先进的生产制造经验,由泰星减速机技术中心设计而成。主要用于桥式起重机运行机构。TWC系列减速机为垂直安装式减速机,主要用于门式起重机运行机构
  • 在线询价
  • 详细介绍

概述

TW系列减速机为平行轴式减速传动装置,该产品吸取了国内外先进的生产制造经验,由泰星减速机技术中心设计而成。主要用于桥式起重机运行机构。TWC系列减速机为垂直安装式减速机,主要用于门式起重机运行机构。两系列产品亦可用于运输、冶金、矿山、石油、化工、建筑、铁路、港口、国防工程、轻纺工业等各种机械设备中的传动机构。

1、特点

a、配套功率范围大,减速范围广。

b、装配及调整快速简单。

c、输出轴可两面装配,用于单独驱动或集中驱动。

d、结构紧凑、美观、体积小、重量轻。

e、运转平稳、噪音低。

2、适用条件

a、齿轮圆周速度≤20m/s

b、高速轴转速≤1500r/min

c、工作环境温度:-40℃~45℃

d、可正反两方向运转。

3、型号说明

TW、TWC系列轴装式减速机

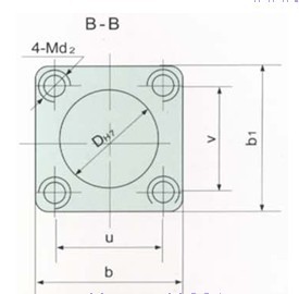
<二>TW系列减速机外型及安装尺寸

1、安装型式

TW、TWC系列轴装式减速机

2、外形及联接尺寸

TW、TWC系列轴装式减速机

TW、TWC系列轴装式减速机

机座号
减速机支架板厚
橡皮块垫厚
TW06
10~12
12~16
TW08
12~14
16~20
TW10
TWC10
14~16
20~25
TW12
TWC12
16~18
25~30
TW16
TWC16
18~20
25~35
TW20
TWC20
22~24
35~40
TW25
TWC25
24~28
35~45

 

尺寸
机座代号
a
h
a1
b
b0
b1
c
D
(H7)
d1
d2
L
K
e1
e2
f
n
r
u
v
重量
kg
TW06
125
285
180
168
20
160
82
Φ148
Φ14
M10
185
161
42
50
24
23
17
80
29
128
120
27.1
TW08
160
358
230
210
20
200
87.75
Φ190
Φ20
M10
235.75
188
47.75
73.5
43
32
80
96
40
154
154
42.6
TW10
200
452
297
274
25
250
98
Φ226
Φ22
M12
261
208
53
84
35
27
80
127
51
210
186
72.8
TW12
250
566
360
346
30
304
111.25
Φ266
Φ26
M16
307.25
255
61.25
88
47
55
128
160
55
274
240
141.3
TW16
315
705
440
400
40
340
120.75
Φ280
Φ34
M16
331.25
264
65.75
100
50
70
132
220
75
320
260
210.0
TW20
400
820
525
500
50
340
127.75
Φ280
Φ40
M16
385.25
318
67.57
104
76
250
80
320
260
320
TW25
500
1050
867
620
70
560
135.75
Φ320
Φ40
M20
429.75
356.5
75.75
112
92
310
95
380
360
780

 

TW系列轴装式减速机输入轴容许功率及输出扭矩

3、输入轴容许功率及输出扭矩

输入轴转速1400r/min,工作级别为M6(可配920r/min)

机座号
公称传动比
容许功率
输出扭矩
14
16
18
20
22.4
25
28
31.5
TW06
容许功率(KW)
4.473
3.967
3.586
3.33
3.061
2.708
2.422
2.134
输出扭矩(N.m)
418
438
444
442
454
455
462
458
TW08
容许功率(KW)
6.22
5.793
5.575
5.132
4.906
4.448
4.215
3.981
输出扭矩(N.m)
609
655
699
708
753
756
801
844
TW10
容许功率(KW)
12.141
11.322
10.480
10.051
9.176
8.731
7.825
7.557
输出扭矩(N.m)
1145
1225
1307
1383
1391
1468
1461
1624
TW12
容许功率(KW)
31.937
29.857
28.313
25.387
22.821
21.582
19.250
17.905
输出扭矩(N.m)
2980
3295
3482
3514
3573
3602
3598
3803
TW16
容许功率(KW)
54.710
48.439
45.267
42.088
38.914
34.975
30.314
27.475
输出扭矩(N.m)
5288
5254
5503
5751
5973
6062
5955
6112
TW20
容许功率(KW)
101.5
100
96
91
81
71
67
59
输出扭矩(N.m)
9684
9164
11549
12378
12401
12362
12386
12361
TW25
容许功率(KW)
154
143
132
121
113
90
87
82
输出扭矩(N.m)
14700
15319
15925
16513
17304
16831
17270
17257

 

机座号
公称传动比
容许功率
输出扭矩
ⅩⅢ
ⅩⅣ
ⅩⅤ
ⅩⅥ
ⅩⅦ
ⅩⅧ
35.5
40
45
50
56
63
71
80
90
100
TW06
容许功率(KW)
1.831
1.694
1.516
1.304
1.264
1.08
0.97
0.766
0.69
0.647
输出扭矩(N.m)
447
452
459
437
470
457
470
426
429
436
TW08
容许功率(KW)
3.744
3.211
3.046
2.568
2.274
2.017
1.897
1.551
1.450
1.248
输出扭矩(N.m)
892
860
918
879
887
891
899
848
908
842
TW10
容许功率(KW)
6.902
6.211
5.353
5.065
4.316
3.923
3.641
3.036
2.827
2.500
输出扭矩(N.m)
1687
1702
1650
1776
1695
1650
1722
1644
1709
1653
TW12
容许功率(KW)
15.292
13.477
12.050
10.847
9.435
8.421
7.948
6.721
5.621
5.190
输出扭矩(N.m)
3707
3775
3645
3703
3647
3667
3696
3548
3386
3507
TW16
容许功率(KW)
25.824
22.953
19.854
19.558
16.301
15.133
12.965
10.989
9.215
8.603
输出扭矩(N.m)
6165
6269
6117
6174
6275
6340
6168
5967
5742
5795
TW20
容许功率(KW)
51
41
37
35
27
25
22
17
16
13
输出扭矩(N.m)
12235
12065
10888
11163
10498
10455
10662
8920
9797
8654
TW25
容许功率(KW)
73
69
61
57
46
41
41
37
32
29
输出扭矩(N.m)
17593
18738
19066
19097
18146
18241
19526
20648
20014
20478

注:配套电机功率:Nn<容许功率÷2~2.5

4、输入轴转速1400r/min,连续工作型

机座号
公称传动比
容许功率
输出扭矩
14
16
18
20
22.4
25
28
31.5
TW06
容许功率(KW)
3.17
2.78
2.49
2.29
2.08
1.82
1.62
1.41
输出扭矩(N.m)
296
307
308
305
309
306
309
302
TW08
容许功率(KW)
4.39
4.06
3.85
3.5
3.32
2.99
2.81
2.6
输出扭矩(N.m)
430
459
482
483
510
509
533
552
TW10
容许功率(KW)
8.63
7.91
7.29
6.96
6.28
5.89
5.26
5.19
输出扭矩(N.m)
814
856
910
967
951
991
982
1077
TW12
容许功率(KW)
23.28
21.50
20.07
17.82
15.84
15.18
13.05
11.53
输出扭矩(N.m)
2172
2372
2469
2467
2480
2471
2439
2548
TW16
容许功率(KW)
33.90
32.05
31.46
28.91
23.68
23.57
20.31
18.16
输出扭矩(N.m)
3760
3694
3825
3951
4050
4086
3990
4040
TW20
容许功率(KW)
60.83
60
57.6
54.6
48.6
42.6
40.2
35.4
输出扭矩(N.m)
5810
5498
6929
7426
7440
7417
7431
7416
TW25
容许功率(KW)
92.4
85
79
72
67
57
52
49
输出扭矩(N.m)
8820
9191
9555
9907
10382
10098
10332
10354

 

机座号
公称传动比
容许功率
输出扭矩
ⅩⅢ
ⅩⅣ
ⅩⅤ
ⅩⅥ
ⅩⅦ
ⅩⅧ
35.5
40
45
50
56
63
71
80
90
100
TW06
容许功率(KW)
1.19
1.10
0.97
0.83
0.80
0.67
0.60
0.47
0.42
0.39
输出扭矩(N.m)
291
294
293
277
296
283
289
260
259
262
TW08
容许功率(KW)
2.45
2.07
1.94
1.63
1.43
1.26
1.18
0.95
0.88
0.75
输出扭矩(N.m)
583
555
586
556
558
557
557
522
550
506
TW10
容许功率(KW)
4.55
4.04
3.44
3.21
2.71
2.43
2.24
1.85
1.70
1.49
输出扭矩(N.m)
1112
1106
1059
1124
1064
1023
1059
1004
1053
985
TW12
容许功率(KW)
10.18
8.88
7.83
7.00
6.01
5.32
4.95
4.13
3.89
3.13
输出扭矩(N.m)
2469
2488
2369
2388
2323
2318
2303
2178
2065
2118
TW16
容许功率(KW)
16.99
15.10
12.91
12.06
10.43
9.56
8.08
6.85
5.74
5.24
输出扭矩(N.m)
4057
4125
3976
4013
4016
4007
3842
3717
3577
3529
TW20
容许功率(KW)
30.6
24.6
22.2
21
16.2
15
13.2
10.2
9.6
7.8
输出扭矩(N.m)
7341
7239
6532
6698
6298
6273
6397
5352
5878
5192
TW25
容许功率(KW)
43
41
36
34
27
24
24
22
19
17
输出扭矩(N.m)
10555
10239
11438
11458
10887
10944
11715
12385
12008
12288

注:配套电机功率:Nn<容许功率÷2~2.5

<三>TWC系列减速机外型及安装尺寸

1、安装尺寸

TW、TWC系列轴装式减速机

2、外形及联接尺寸

TW、TWC系列轴装式减速机

座号
a
c
d
e
f
k
m
n
o
p
q
r
s
t
质量
kg
TWC10
208
104
137
40
125
274
225
127
325
490
86
56
,
Φ22
26
72.25
TWC12
255
127.5
173
45
150
346
280
160
406
612
101.5
70
Φ26
36
141.32
TWC16
264
132
200
55
180
400
355
220
485
760
104
85
Φ34
46
210
TWC20
318
159
250
55
220
500
470
250
625
930
140
100
Φ40
50
350
TWC25
356.5
178.25
310
75
275
620
580
310
777
1160
180
125
Φ40
70
820

3、工作级别为M6时,减速器承载能力表

公称传动比
i
公称转速
r/min
规格
输入
n1
输出
n2
10
12
16
20
25
公称输入功率  P    kW
22.4
1500
66
9.1
22.8
38.9
81
96
1000
44
6.1
15.2
25.9
54
64
750
33
4.5
11.4
19.5
40
48
25
1500
60
8.3
21.5
35
70
89
1000
40
5.5
16.5
23.3
46.5
59
750
30
4.1
11
17.5
35
44.5
28
1500
53.5
7.8
19.2
30.3
67
82
1000
35.5
5.2
12.5
20
44.5
54.5
750
26.5
3.9
9.6
15.2
33.5
41
31.5
1500
47.5
7.8
17.9
27.4
60
75
1000
31.5
5.2
11.9
18.2
40
50
750
23.5
3.9
9
13.7
30
37
35.5
1500
42
6.9
15.2
25.8
50
70
1000
28
4.6
10.1
17.2
33
46
750
21
3.5
7.6
12.9
25
35
40
1500
37.5
6.2
13.5
23
40
60
1000
25
4.1
9
15
26.5
40
750
18.3
3.1
6.7
11.5
20
30
45
1500
33
5.3
12.0
19.5
37
54
1000
22
3.5
8
13
24.5
36
750
16.5
2.7
6
10
18.5
27
50
1500
30
5.1
10.8
19.5
35
51
1000
20
3.4
7.2
13
23
34
750
15
2.5
5.4
10
17.5
25.5
56
1500
26.5
4.3
9.4
16.3
27
45
1000
17.5
2.8
6.2
10.8
18
30
750
13
2.2
4.7
8.2
13.5
22.5
63
1500
23.5
3.9
8.4
15.1
25
43
1000
15.5
2.6
5.6
10
16.5
28.5
750
12
2
4.2
7.5
12.5
21.5
71
1500
21
3.6
7.0
13
22
38
1000
14
2.4
4.5
8.5
15
25
750
10.5
1.8
3.5
6.5
11
19
80
1500
18.5
3.0
6.7
11
17
35
1000
12.5
2
4.5
7.3
11
23
750
9
1.5
3.3
5.5
8.5
17.5
90
1500
16.5
2.8
5.6
9.2
16
28
1000
11
1.8
3.7
6.1
10.5
18.5
750
8
1.4
2.8
4.6
8
14
100
1500
15
2.5
5.2
8.6
13
25
1000
10
1.6
3.4
5.7
8.6
16.5
750
7.5
1.3
2.6
4.3
6.5
12.5
115
1500
13
2.3
5
8.1
12
23
1000
8.5
1.5
3.3
5.4
8
1.5
750
6.5
1.2
2.5
4.1
6
11.5
128
1500
11.5
1.8
4.2
6.8
10.5
21
1000
7.5
1.2
2.8
4.5
7
14
750
5.5
0.9
2.1
3.4
5.3
11
145
1500
10
1.7
3.5
5.7
9.5
20
1000
6.5
1.1
2.3
3.8
6.3
13.3
750
5
0.85
1.8
2.9
4.7
11
160
1500
9
1.5
3.2
5.3
8
18
1000
6
1
2.1
3.5
5.3
12
750
4.5
0.75
1.6
2.6
4
9

注:配套电机功率:Nn≤容许功率÷2~25

4、连续工作型,减速器承载能力表

公称传动比
i
公称转速
r/min
规格
输入
n1
输出
n2
10
12
16
20
25
公称输入功率  P    kW
22.4
1500
66
6.28
15.84
23.68
48.6
57.6
1000
44
4.48
11.2
16.30
33.5
39.7
750
33
3.10
7.9
11.80
24.3
28.8
25
1500
60
5.89
15.18
23.57
42.6
53.4
1000
40
4.20
10.8
16.25
29.35
36.8
750
30
2.90
7.5
11.75
21.3
26.7
28
1500
53.5
5.26
13.05
20.31
40.2
49.1
1000
35.5
3.75
9.30
14.00
27.7
33.86
750
26.5
2.50
6.50
10.1
20.1
24.5
31.5
1500
47.5
5.19
11.53
18.16
35.4
45
1000
31.5
3.70
8.23
12.5
24.4
31
750
23.5
2.50
5.75
9.1
17.5
22.5
35.5
1500
42
4.55
10.18
16.99
30.6
42
1000
28
3.20
7.1
11.7
21
21.85
750
21
2.20
5.1
8.5
15.3
21
40
1500
37.5
4.04
8.88
15.10
24.6
36
1000
25
2.75
6.1
10.4
16.9
24.8
750
18.3
2.00
4.4
7.5
12.3
18
45
1500
33
3.44
7.83
12.91
22.2
32.4
1000
22
2.4
5.45
8.9
15.3
21.7
750
16.5
1.7
3.9
6.45
11
16.2
50
1500
30
3.21
7.00
12.06
231
30.6
1000
20
2.2
4.8
8.31
14.45
21.10
750
15
1.60
3.5
6.00
10.5
15.3
56
1500
26.5
2.71
6.01
10.43
16.2
27
1000
17.5
1.9
4.13
7.15
11.15
18.6
750
13
1.30
3.00
5.2
8
13.5
63
1500
23.5
2.43
5.32
9.56
15
25.3
1000
15.5
1.70
3.60
6.55
10.3
17.4
750
12
1.2
2.65
4.75
7.5
12.6
71
1500
21
2.24
4.95
8.08
13.2
21.8
1000
14
1.5
3.41
5.5
9.1
15
750
10.5
1.1
2.5
4
6.6
10.5
80
1500
18.5
1.85
4.13
6.85
10.2
21
1000
12.5
1.3
2.8
4.72
7
14.4
750
9
0.9
2.0
3.4
5.1
10
90
1500
16.5
1.70
3.89
5.74
9.6
16.3
1000
11
1.1
2.68
3.9
6.6
11.20
750
8
0.8
1.94
2.85
4.8
8.15
100
1500
15
1.49
3.13
5.24
7.8
15
1000
10
1
2.15
3.5
5.35
10
750
7.5
0.72
1.56
2.6
3.9
7.5
115
1500
13
1.40
3.09
5.05
7.2
15
1000
8.5
0.95
2.10
3.45
4.9

750
6.5
0.70
1.5
2.50
3.6

128
1500
11.5
1.16
2.58
4.28
6.36
13.8
1000
7.5
0.75
1.78
2.90
4.35
9.5
750
5.5
0.55
1.25
2.14
3.15
6.9
145
1500
10
1.06
2.43
3.59
5.7
12
1000
6.5
0.70
1.67
2.45
3.9
8.25
750
5
0.50
1.2
1.75
2.85
6
160
1500
9
0.93
1.96
3.25
4.87
10.8
1000
6
0.65
1.35
2.2
3.35
7.4
750
4.5
0.45
0.95
1.62
2.4
5.4

<四>输出轴联接尺寸

1、花键轴(H)

TW、TWC系列轴装式减速机

TW、TWC系列轴装式减速机

注:用户可以根据需要,从表中选用小一号或更小的花键副。

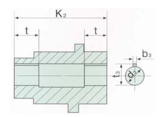
2、空心平键轴(P)

TW、TWC系列轴装式减速机

机座代号
K2
t
d3H7
b3
t3
08
188
55
40
12
43.3
10
208
60
50
14
53.8
12
255
65
60
18
64.4
16
264
75
90
25
95.4
20
318
85
100
28
106.4
25
356.5
95
100
28
106.4

TW.TWC系列减速机配套电机主要技术参数

参数
 
型号
功 率
KW
转速
r/min
额 定
电流
(A)
*大转
速额定
转矩
效率
(η)
功率
因素
绝缘
等级
制动
力矩
(N.m)
转子开
路电压
(V)
转子
电流
(A)
基准工
作制(K)
外形尺寸
D×L
ZDR12-4
1.5
1350
4.5
3
0.7
0.75
B
10.8
131
9.5
25%
Φ218×488
ZDR112L1-4
2.2
1350
5.6
3
0.79
0.8
F
15.7
131
12.0
40%
Φ218×507.3
ZDR112L4-4
3.0
1350
7.5
3
0.8
0.8
F
19.6
131
16.0
40%
Φ218×507.3
ZDR123-4
4.6
1350
13
2.5
0.73
0.64
F
33.2
175
18.0
40%
Φ249×542.5
ZDR140-4
8.0
1380
25.5
2.5
0.77
0.63
F
62.0
168
31.0
40%
Φ249×297
YZRE112M-4
0.8
1380
2.4
2.5
0.65
0.78
F
27
100
8
40%
Φ250×313
YZRE112M-4
1.5
1400
4.5
2.5
0.68
0.79
F
30
100
12.5
40%
Φ250×313
YZRE112M-4
2.2
1410
6
2.5
0.72
0.76
F
30
132
12.6
40%
Φ250×333
YZRE132M1-4
3.7
1410
9.2
2.7
0.77
0.77
F
50
187
14.5
40%
Φ300×548
YZRE132M2-4
5.5
1410
15
2.7
0.77
0.78
F
50
139
25.7
40%
Φ300×598
YZRE132M3-4
7.5
1410
17
3
0.80
0.82
F
50
185
26.5
40%
Φ300×618
YZRE160M1-4
7.5
1420
17
3
0.80
0.82
F
80
185
26.5
40%
Φ350×667
YZRE160M2-4
11
1420
24.5
3
0.82
0.825
F
80
252
27.6
40%
Φ350×722
YZRE160L-4
15
1420
33
3
0.86
0.825
F
80
218
46
40%
Φ350×752
ZDY  21-4
0.8
1420
2.4
2.51
0.7
0.72
F
8.036



Φ217×329
ZDY  22-4
1.5
1380
4.3
2.5
0.72
0.74
B
19.6



Φ233×355
YEJ30-4
0.75
1380
2.0

0.75
0.78
B
10



Φ200×385
YEJ90L-4
1.5
1500
3.6

0.78
0.82
F
20



Φ200×425
YEJ100L-4
3
1500
6.65

0.825
0.83
F
38



Φ250×465
YEJ112M-4
4
1500
8.6

0.84
0.84
F
50



Φ250×495
YEJ123S-4
5.5
1500
11.5

0.845
0.87
F
95



Φ250×575
YEJ132M-4
7.5
1500
15.5

0.865
0.86
F
95



Φ200×620
YEJ160M-4
11
1500
22

0.875
0.86
F
190



Φ330×710
YEJ160L-4
15
1500
30

0.88
0.86
F
190



Φ330×755

注:1、额定电压 为380伏,频率50赫兹。

2、绕线电机作起动用时可选用频敏变阻。

3、绕线电机转子回路,由用户设计和配置电阻后方可使用,不许直接短路使用。

4、ZDY、YEJ型电机为鼠笼式电机,ZDR、YZR型电机为绕线式电机。

5、按用户要求,还可配置变速电机、盘式电机及其它特种电机。

TW、TWC系列减速机选用说明:

根据“起重机设计规范”(GB3811-83)中的规定,起重机各机构有不同的工作级别:分M1~M8共8种。本系列所列功率M6工作级别的功率表,若用其它级别时,应按下列公式折算:

NMi=Nm6×1.12(6-i) (KW)

式中:i-工作级别

NMi--相对Mi工作级别的功率值

Nm6-功率表在容许功率值

对于运行机构因惯性载荷较大,疲劳计算基本载荷取为机构起动时,计算零件承受的惯性力矩和静力矩之和。

对于惯性载荷较小,起制动次数较少的机构,计算结果可直接按小于表列功率选用。但一般运行机构,惯性载较大,起制动频繁应取机构制动时所承受的*大振动力矩计算,此时应把表功率除以系数Ψ5。

Ψ5  弹性振动力矩增大系数。

考虑到重级或特重级起重机运行机构的工作条件比较恶劣。(机构经常处于起动,制动工况),应取Ψ5=2~2.5为宜。

即:NM1=Ψ5Nn=(2~2.5)Nn

式中Nn—电机额定功率



本文网址:http://www.taixing-jsj.com.cn/content/?183.html

关键词:轴装式减速机

上一篇:没有了
下一篇:CJ轴装式减速机系列
在线客服
二维码

扫一扫获取报价