联系人:赵经理
手 机:18761031608
电 话:0523-87669448
QQ :1848859180
邮 件:1848859180@qq.com
传 真:0523-87669448
网 址:www.taixing-jsj.com.cn
地 址:泰兴市姚王镇泰姚北路10号
YZ型油冷、油浸式摆线针轮电动滚筒的适用范围及特点
1、YZ型系列油冷(油浸)式摆线电动滚筒是为带式输送机配套理想的驱动装置,它广泛应用于矿山、冶金、化工、水泥、码头、电厂、粮食、轻工、食品等行业的传送机械设备上。
2、本产品采用了电机直联的针齿壳输出的一级硬齿面摆线针轮减速机构,不仅结构简单、体积小、传动比大,而且由于摆线轮、针齿等采用轴承钢制造,经热处理硬度达HRC58~62,加之在传动中为滚动摩擦和多齿啮合,使之减速机构与渐开线齿轮传动相比,具有承载能力大、过载能力强,传动平稳、噪音低、寿命长等优点。
3、采用油浸式电机,可改变其冷却条件,降低了定子绕组温升,延长了电机的使用寿命,解决了因渗油而烧坏电机的弊端。
型油冷、油浸式摆线针轮电动滚筒的型号标记
标记示例及选用说明:

1、逆止型滚筒旋转方向必须面对电机接线盒端观察,顺时针旋转标注“S”,逆时针旋转标注“N”,不需逆止时,则不标注滚筒旋转方向代号。
2、滚筒必须在输出扭矩范围内使用,其输出扭矩按下式计算:
M=500×
式中:M——扭矩(Nm)D——滚筒直径(m)P——功率(KW)V——带速(m/S)
YZ型油冷、油浸式摆线针轮电动滚筒的基本参数(直径315-630mm)
直径(mm) | 功率(kw) | 带宽(mm) | 表面线速度(m/s) | 质量(kg) max | ||||||||||
315 (320) | 0.25 | 0.32 | 0.4 | 0.55 | 0.63 | 0.8 | 1.0 | 1.25 | 1.6 | 2 | 2.5 | |||
1.5 | 500 | · | · | · | · | · | · | · | · | 184 | ||||
650 | · | · | · | · | · | · | · | · | 195 | |||||
2.2 | 500 | · | · | · | · | · | · | · | · | · | 186 | |||
650 | · | · | · | · | · | · | · | · | · | 196 | ||||
3 | 500 | · | · | · | · | · | · | 215 | ||||||
650 | · | · | · | · | · | · | 222 | |||||||
800 | · | · | · | · | · | · | 230 | |||||||
4 | 500 | · | · | · | · | · | · | 222 | ||||||
650 | · | · | · | · | · | · | 230 | |||||||
800 | · | · | · | · | · | · | 240 | |||||||
400 | 1.5 | 500 | · | · | · | · | · | · | · | · | · | 211 | ||
650 | · | · | · | · | · | · | · | · | · | 220 | ||||
800 | · | · | · | · | · | · | · | · | · | 230 | ||||
2.2 | 500 | · | · | · | · | · | · | · | · | · | 215 | |||
650 | · | · | · | · | · | · | · | · | · | 225 | ||||
800 | · | · | · | · | · | · | · | · | · | 238 | ||||
3 | 500 | · | · | · | · | · | · | · | · | · | 246 | |||
650 | · | · | · | · | · | · | · | · | · | 258 | ||||
800 | · | · | · | · | · | · | · | · | · | 270 | ||||
4 | 500 | · | · | · | · | · | · | · | · | · | 250 | |||
650 | · | · | · | · | · | · | · | · | · | 263 | ||||
800 | · | · | · | · | · | · | · | · | · | 275 | ||||
5.5 | 500 | · | · | · | · | 285 | ||||||||
650 | · | · | · | · | 300 | |||||||||
800 | · | · | · | · | 315 | |||||||||
直径(mm) | 功率(kw) | 带宽(mm) | 表面线速度(m/s) | 质量(kg) | |||||||||
500 | 0.40 | 0.55 | 0.63 | 0.8 | 1.0 | 1.25 | 1.6 | 2.0 | 2.5 | 3.15 | |||
1.5 | 500 | · | · | · | · | · | 270 | ||||||
650 | · | · | · | · | · | 284 | |||||||
800 | · | · | · | · | · | 298 | |||||||
2.2 | 500 | · | · | · | · | · | · | 275 | |||||
650 | · | · | · | · | · | · | 289 | ||||||
800 | · | · | · | · | · | · | 303 | ||||||
3 | 500 | · | · | · | · | · | · | · | · | · | 320 | ||
650 | · | · | · | · | · | · | · | · | · | 335 | |||
800 | · | · | · | · | · | · | · | · | · | 350 | |||
4 | 500 | · | · | · | · | · | · | · | · | · | 326 | ||
650 | · | · | · | · | · | · | · | · | · | 341 | |||
800 | · | · | · | · | · | · | · | · | · | 356 | |||
5.5 | 500 | · | · | · | · | · | · | · | · | · | 390 | ||
650 | · | · | · | · | · | · | · | · | · | 405 | |||
800 | · | · | · | · | · | · | · | · | · | 420 | |||
7.5 | 500 | · | · | · | · | · | · | · | · | · | 410 | ||
650 | · | · | · | · | · | · | · | · | · | 425 | |||
800 | · | · | · | · | · | · | · | · | · | 440 | |||
11 | 650 | · | · | · | · | · | · | · | · | · | 500 | ||
800 | · | · | · | · | · | · | · | · | · | 520 | |||
15 | 650 | · | · | · | · | · | · | · | · | · | 528 | ||
800 | · | · | · | · | · | · | · | · | · | 548 | |||
630 | 5.5 | 650 | · | · | · | · | · | · | · | · | 550 | ||
800 | · | · | · | · | · | · | · | · | 575 | ||||
1000 | · | · | · | · | · | · | · | · | 605 | ||||
1200 | · | · | · | · | · | · | · | · | 635 | ||||
7.5 | 650 | · | · | · | · | · | · | · | · | · | 575 | ||
800 | · | · | · | · | · | · | · | · | · | 600 | |||
1000 | · | · | · | · | · | · | · | · | · | 636 | |||
1200 | · | · | · | · | · | · | · | · | · | 675 | |||
11 | 650 | · | · | · | · | · | · | · | · | 650 | |||
800 | · | · | · | · | · | · | · | · | 678 | ||||
1000 | · | · | · | · | · | · | · | · | 720 | ||||
1200 | · | · | · | · | · | · | · | · | 765 | ||||
15 | 800 | · | · | · | · | · | · | · | · | 700 | |||
1000 | · | · | · | · | · | · | · | · | 740 | ||||
1200 | · | · | · | · | · | · | · | · | 785 | ||||
18.5 | 800 | · | · | · | · | · | · | · | · | 745 | |||
1000 | · | · | · | · | · | · | · | · | 790 | ||||
1200 | · | · | · | · | · | · | · | · | 835 | ||||
1400 | · | · | · | · | · | · | · | · | 885 | ||||
22 | 800 | · | · | · | · | · | · | · | · | 830 | |||
1000 | · | · | · | · | · | · | · | · | 880 | ||||
1200 | · | · | · | · | · | · | · | · | 930 | ||||
1400 | · | · | · | · | · | · | · | · | 980 | ||||
30 | 800 | · | · | · | · | · | · | 970 | |||||
1000 | · | · | · | · | · | · | 1020 | ||||||
1200 | · | · | · | · | · | · | 1075 | ||||||
1400 | · | · | · | · | · | · | 1130 | ||||||
YZ型油冷、油浸式摆线针轮电动滚筒的基本参数(直径800-1000mm)
直径(mm) | 功率(kw) | 带宽(mm) | 表面线速度(m/s) | 质量(kg) max | ||||||||
800 | 0.55 | 0.63 | 0.8 | 1.0 | 1.25 | 1.6 | 2.0 | 2.5 | 3.15 | |||
5.5 | 1000 | · | · | · | · | · | 765 | |||||
1200 | · | · | · | · | · | 800 | ||||||
1400 | · | · | · | · | · | 840 | ||||||
7.5 | 1000 | · | · | · | · | · | · | · | · | 785 | ||
1200 | · | · | · | · | · | · | · | · | 825 | |||
1400 | · | · | · | · | · | · | · | · | 865 | |||
11 | 1000 | · | · | · | · | · | · | · | 865 | |||
1200 | · | · | · | · | · | · | · | 905 | ||||
1400 | · | · | · | · | · | · | · | 960 | ||||
15 | 1000 | · | · | · | · | · | · | · | 942 | |||
1200 | · | · | · | · | · | · | · | 992 | ||||
1400 | · | · | · | · | · | · | · | 1042 | ||||
直径(mm) | 功率(kw) | 带宽(mm) | 表面线速度(m/s) | 质量(kg) max | ||||||||
800 | 0.63 | 0.8 | 1.0 | 1.25 | 1.6 | 2.0 | 2.5 | 3.15 | 4.0 | |||
18.5 | 1000 | · | · | · | · | · | · | · | 992 | |||
1200 | · | · | · | · | · | · | · | 1045 | ||||
1400 | · | · | · | · | · | · | · | 1098 | ||||
22 | 1000 | · | · | · | · | · | · | · | 1085 | |||
1200 | · | · | · | · | · | · | · | 1140 | ||||
1400 | · | · | · | · | · | · | · | 1195 | ||||
30 | 1000 | · | · | · | · | · | 1235 | |||||
1200 | · | · | · | · | · | 1290 | ||||||
1400 | · | · | · | · | · | 1340 | ||||||
37 | 1000 | · | · | · | · | · | 1335 | |||||
1200 | · | · | · | · | · | 1390 | ||||||
1400 | · | · | · | · | · | 1445 | ||||||
45 | 1000 | · | · | · | · | · | · | 1810 | ||||
1200 | · | · | · | · | · | · | 1900 | |||||
1400 | · | · | · | · | · | · | 1960 | |||||
55 | 1000 | · | · | · | · | · | 1950 | |||||
1200 | · | · | · | · | · | 2010 | ||||||
1400 | · | · | · | · | · | 2070 | ||||||
1000 | 15 | 1000 | · | · | · | · | · | 1145 | ||||
1200 | · | · | · | · | · | 1205 | ||||||
1400 | · | · | · | · | · | 1265 | ||||||
18.5 | 1000 | · | · | · | · | · | 1200 | |||||
1200 | · | · | · | · | · | 1260 | ||||||
1400 | · | · | · | · | · | 1320 | ||||||
22 | 1000 | · | · | · | · | · | 1295 | |||||
1200 | · | · | · | · | · | 1370 | ||||||
1400 | · | · | · | · | · | 1435 | ||||||
30 | 1000 | · | · | · | · | · | 1455 | |||||
1200 | · | · | · | · | · | 1520 | ||||||
1400 | · | · | · | · | · | 1590 | ||||||
87 | 1000 | · | · | · | · | · | · | 1560 | ||||
1200 | · | · | · | · | · | · | 1630 | |||||
1400 | · | · | · | · | · | · | 1700 | |||||
45 | 1200 | · | · | · | · | · | · | 2250 | ||||
1400 | · | · | · | · | · | · | 2325 | |||||
55 | 1200 | · | · | · | · | · | 2360 | |||||
1400 | · | · | · | · | · | 2410 | ||||||
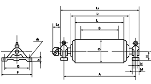
YZ型油冷、油浸式摆线针轮电动滚筒的外形安装尺寸

D | B | A | L | L1 | L2 | H | M | N | P | Q | ds | h | L3 |
315 (320) | 500 | 850 | 600 | ≤732 | 940 | 120 | 90 | - | 340 | 280 | 27 | 35 | 95 |
650 | 1000 | 750 | ≤882 | 1090 | |||||||||
800 | 1300 | 950 | ≤1032 | 1390 | |||||||||
400 | 500 | 850 | 600 | ≤744 | 940 | 120 | 90 | _ | 340 | 280 | 27 | 35 | 95 |
650 | 1000 | 750 | ≤894 | 1090 | |||||||||
800 | 1300 | 950 | ≤1044 | 1390 | |||||||||
500 | 500 | 850 | 600/620 | ≤748 | 960 | 100 | 07 | _ | 340 | 280 | 27 | 35 | 115 |
650 | 1000 | 750 | ≤900 | 1120 | 120 | 90 | |||||||
800 | 1300 | 950 | ≤1100 | 1420 | 120 | 90 | |||||||
630 | 650 | 1000 | 750 | ≤868 | 1120 | 120 | 90 | _ | 340 | 280 | 27 | 35 | ≤140 |
800 | 1300 | 950 | ≤1068 | 1430 | 140 | 130 | 80 | 400 | 330 | 27 | 35 | ||
1000 | 1500 | 1150 | ≤1268 | 1630 | 140 | 130 | 80 | 400 | 330 | 27 | 35 | ||
1200 | 1750 | 1400 | ≤1514 | 1900 | 160 | 160 | 90 | 440 | 360 | 34 | 50 | ||
1400 | 2000 | 1600 | ≤1720 | 2150 | 160 | 160 | 90 | 440 | 360 | 34 | 50 | ||
800 | 1000 | 1500 | 1150 | ≤1268 | 1630 | 140 | 145 | 80 | 400 | 330 | 27 | 35 | ≤140 |
1200 | 1750 | 1400 | ≤1514 | 1900 | 160 | 160 | 90 | 440 | 360 | 34 | 50 | ||
1400 | 2000 | 1600 | ≤1720 | 2150 | 160 | 160 | 90 | 440 | 360 | 34 | 50 | ||
1000 | 1000 | 1500 | 1150 | ≤1268 | 1630 | 140 | 145 | 80 | 400 | 330 | 27 | 35 | ≤140 |
1200 | 1750 | 1400 | ≤1514 | 1900 | 160 | 160 | 90 | 440 | 360 | 34 | 50 | ||
1400 | 2000 | 1600 | ≤1720 | 2150 | 160 | 160 | 90 | 440 | 360 | 34 | 50 |