联系人:赵经理
手 机:18761031608
电 话:0523-87669448
QQ :1848859180
邮 件:1848859180@qq.com
传 真:0523-87669448
网 址:www.taixing-jsj.com.cn
地 址:泰兴市姚王镇泰姚北路10号

技术参数:
| 速比型号 | 16 | 18 | 20 | 24 | 25 | 31.5 | 35.5 | 40 | 45 | 48 | 60 |
| Ssx75-i | 7770 | 8740 | 9710 | 11855 | 12140 | 15295 | 17235 | 19420 | 21850 | 23305 | 24280 |
| Ssx132-i | 13870 | 15380 | 17090 | 20510 | 21365 | 26920 | 30340 | 34185 | 38455 | 41020 | 42730 |
| Ssx200-i | 20715 | 23305 | 25890 | 31075 | 32370 | 40790 | 45970 | 51795 | 58270 | 62155 | 64745 |
| Ssx250-i | 25895 | 29135 | 32370 | 38845 | 40465 | 50905 | 57460 | 64745 | 72840 | 77695 | 80930 |
| Ssx280-i | 20005 | 32630 | 36255 | 43510 | 45320 | 57105 | 64355 | 72515 | 81580 | 87020 | 90645 |
| Ssx315-i | 32630 | 36710 | 40790 | 48945 | 50985 | 64240 | 72400 | 81580 | 91775 | 97895 | 101975 |
| Ssx335-i | 34700 | 39040 | 43380 | 52055 | 54225 | 68320 | 76995 | 89760 | 97605 | 104110 | 108450 |
| Ssx355-i | 36775 | 41370 | 45970 | 55163 | 57460 | 72400 | 81595 | 91935 | 103430 | 110325 | 114923 |
| Ssx375-i | 38847 | 43703 | 48560 | 58271 | 60699 | 78430 | 86192 | 97118 | 109258 | 116542 | 121398 |
| Ssx400-i | 41437 | 46616 | 51796 | 62155 | 64745 | 81579 | 91938 | 103593 | 116542 | 124311 | 129491 |
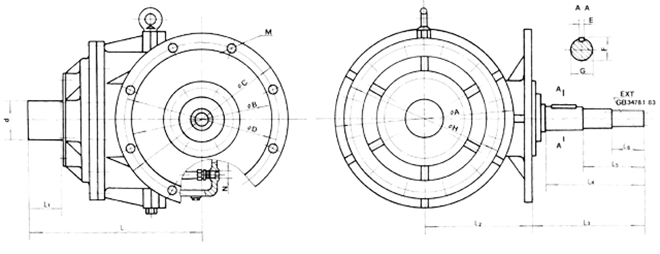
外形及安装尺寸:

| 型号 | L | Ll | L2 | L3 | L4 | L5 | L6 | d | ¢A | ¢B | ¢C | ¢D | ¢H | E | F | G | M | N | 重量 | E×T |
| SSX75-24A | 661 | 124 | 408.43 | 423.35 | 372.84 | 228.84 | 120 | ¢145 | ¢670 | ¢550 | ¢640 | ¢590 | ¢610 | 20 | 745 | ¢700 | 8-¢22 | M22×1.5 | 1038 | 16z×35m×30p×7h |
| SSX132-24A | 662.5 | 140 | 408.43 | 423.35 | 372.84 | 228.84 | 120 | ¢155 | ¢670 | ¢550 | ¢640 | ¢590 | ¢660 | 20 | 745 | ¢700 | 8-¢22 | M22×1.5 | 1123 | 16z×35m×30p×7h |
| SSX200-16A | 590 | 110 | 515 | 218 | 155 | ¢180 | ¢790 | ¢540 | ¢700 | ¢620 | ¢700 | 16-¢26 | M22×1.5 | 1500 | 18z×5m×30p×7h | |||||
| SSX200-18A | 590 | 110 | 515 | 218 | 155 | ¢180 | ¢790 | ¢540 | ¢700 | ¢620 | ¢700 | 16-¢26 | M22×1.5 | 1500 | 18z×5m×30p×7h | |||||
| SSX200-20A | 600 | 110 | 515 | 218 | 155 | ¢180 | ¢790 | ¢540 | ¢700 | ¢620 | ¢700 | 16-¢26 | M22×1.5 | 1540 | 18z×5m×30p×7h | |||||
| SSX200-25A | 610 | 110 | 515 | 218 | 155 | ¢180 | ¢790 | ¢540 | ¢700 | ¢620 | ¢700 | 16-¢26 | M22×1.5 | 1575 | 18z×5m×30p×7h | |||||
| SSX250-16A | 600 | 110 | 515 | 218 | 155 | ¢180 | ¢790 | ¢540 | ¢700 | ¢620 | ¢700 | 16-¢26 | M22×1.5 | 1540 | 18z×5m×30p×7h | |||||
| SSX250-18A | 600 | 110 | 515 | 218 | 155 | ¢180 | ¢790 | ¢540 | ¢700 | ¢620 | ¢700 | 16-¢26 | M22×1.5 | 1540 | 18z×5m×30p×7h | |||||
| SSX250-20A | 610 | 110 | 515 | 218 | 155 | ¢180 | ¢790 | ¢540 | ¢700 | ¢620 | ¢700 | 16-¢26 | M22×1.5 | 1575 | 18z×5m×30p×7h | |||||
| SSX250-25A | 620 | 110 | 515 | 218 | 155 | ¢180 | ¢790 | ¢540 | ¢700 | ¢620 | ¢700 | 17-¢26 | M22×1.5 | 1675 | 18z×5m×30p×7h |

