欢迎来到泰星减速机股份有限公司官网!

联系我们

联系人:赵经理

手  机:18761031608

电   话:0523-87669448

QQ    :1848859180

邮  件:1848859180@qq.com

传  真:0523-87669448

网  址:www.taixing-jsj.com.cn

地  址:泰兴市姚王镇泰姚北路10号

K、S、R、F斜齿轮减速电机

S系列斜齿轮-蜗轮蜗杆减速电机

  • 所属分类: K、S、R、F斜齿轮减速电机

  • 名称:S系列斜齿轮-蜗轮蜗杆减速电机
  • 点击次数:
  • 发布日期:2019-11-12 10:03:44
  • 简介:S系列斜齿蜗轮蜗杆减速机性能特点:S系列蜗轮蜗杆减速机除具有常规特性外,该机还采用了斜齿-蜗轮形式,使结构更加合理化,它不仅改变了比单级蜗轮蜗杆传动具有更高的传动效率和承载能力,而且在结构布局上缩小了
  • 在线询价
  • 详细介绍

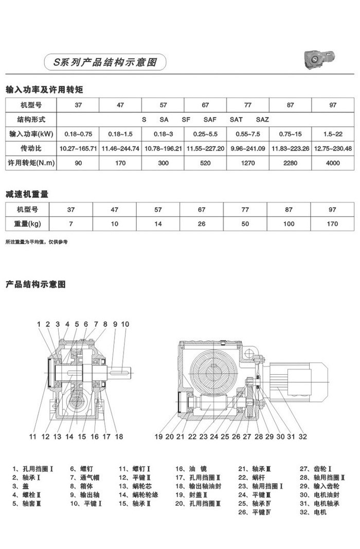
S系列斜齿蜗轮蜗杆减速机性能特点:

S系列蜗轮蜗杆减速机除具有常规特性外,该机还采用了斜齿-蜗轮形式,使结构更加合理化,它不仅改变了比单级蜗轮蜗杆传动具有更高的传动效率和承载能力,而且在结构布局上缩小了空间占地面积,同时在相近体积条件下,能获得更大传动比,更有利于设备的配置,该机能与各种减、变速机组合,满足不同的使用要求。

技术参数:                                            安装方式: 

功率:0.12KW~22KW                                    底脚安装

转 矩:10N·m~4890N·m                               法兰安装

输出转速:0.12~397r/min                              轴装安装


S系列斜齿轮-蜗轮蜗杆减速电机

S系列斜齿轮-蜗轮蜗杆减速电机

S系列斜齿轮-蜗轮蜗杆减速电机

S系列斜齿轮-蜗轮蜗杆减速电机

S系列斜齿轮-蜗轮蜗杆减速电机

S系列斜齿轮-蜗轮蜗杆减速电机

S系列斜齿轮-蜗轮蜗杆减速电机

S系列斜齿轮-蜗轮蜗杆减速电机

S系列斜齿轮-蜗轮蜗杆减速电机

S系列斜齿轮-蜗轮蜗杆减速电机

S系列斜齿轮-蜗轮蜗杆减速电机

S系列斜齿轮-蜗轮蜗杆减速电机

S系列斜齿轮-蜗轮蜗杆减速电机

S系列斜齿轮-蜗轮蜗杆减速电机

S系列斜齿轮-蜗轮蜗杆减速电机



本文网址:http://www.taixing-jsj.com.cn/content/?181.html

关键词:K系列斜齿轮减速电机,S系列斜齿轮减速电机,R系列斜齿轮减速电机,F系列斜齿轮减速电机

在线客服
二维码

扫一扫获取报价