联系人:赵经理
手 机:18761031608
电 话:0523-87669448
QQ :1848859180
邮 件:1848859180@qq.com
传 真:0523-87669448
网 址:www.taixing-jsj.com.cn
地 址:泰兴市姚王镇泰姚北路10号
该减速器体积小、重量轻,承载能力高,使用寿命长、运转平稳,噪声低。具有功率分流、多齿啮合独用的特性。*大输入功率可达104kW。适用于起重运输、工程机械、冶金、矿山、石油化工、建筑机械、轻工纺织、医疗器械、仪器仪表、汽车、船舶、兵器和航空航天等工业部门。行星系列新品种WGN定轴传动减速器、WN子母齿轮传动减速器、弹性均载少齿差减速器。
一、概述
行星齿轮系列减速机是一种具有广泛通用性的新性减速机,内部齿轮采用20CvMnT渗碳淬火和磨齿。整机具有结构尺寸小,输出扭矩大,速比在、效率高、性能安全可靠等特点。本机主要用于塔式起重机的回转机构,又可作为配套部件用于起重、挖掘、运输、建筑等行业。
适用范围如下:
输入轴转速≤1500r/min
转动方向:正反
机构工作级别:M5
结构利用等级:T4
工作环境温度:-40℃~+45℃,低于0℃,启动前润滑油需预热。
二、型号说明

三、传动形式简图

减速机的选用
选用输出扭矩时,要考虑到工况系数,当计算扭矩为TC时,则T=KA·TC-。
KA值列表如下:

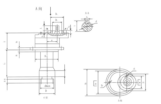
型号 | 输入速度(r/min) | 输出扭矩(N·m) | 主要安装尺寸 | ||||||||||||
T额 | T*大 | Dt(h7) | D2 | D3 | D4(h7) | D5(H7) | D6 | H | H1 | H2 | D7(H7) | H3 | L3 | ||
xx-25 | 1500 | 2500 | 3750 | 220 | 280 | 250 | 85 | 70 | 12?14 | 5 | 15 | 20 | 170 | 55 | 200 |
xx-40 | 1500 | 4000 | 6000 | 260 | 320 | 290 | 85 | 70 | 24?14 | 5 | 15 | 25 | 176 | 66 | 230 |
xx-63 | 1500 | 6300 | 9450 | 260 | 320 | 290 | 85 | 70 | 24?14 | 5 | 15 | 25 | 200 | 70 | 230 |
xx-80 | 1500 | 8000 | 12000 | 295 | 370 | 340 | 85 | 70 | 24?18 | 12 | 20 | 30 | 220 | 70 | 315 |
xx-100 | 1500 | 1000 | 15000 | 330 | 420 | 380 | 170 | 24?18 | 12 | 40 | 30 | 260 | 60 | 315 | |
xx-160 | 1500 | 16000 | 24000 | 415 | 500 | 465 | 180 | 24?18 | 25 | 20 | 30 | 280 | 100 | 550 | |
xx-250 | 1500 | 25000 | 37500 | 415 | 500 | 200 | 24?22 | 5 | 20 | 35 | 330 | 100 | 600 | ||
型号 | 输出尺寸 | 外廓尺寸 | 输入轴端尺寸 | ||||||||||
Dmax | B | E | a | d | b | t | h1 | h2 | L | M | d1 | D | |
xx-25 | 120 | 90 | 204 | 82 | 20h6 | 6 | 22.5 | 4 | 10 | 41 | 160 | 6-M12 | 205 |
xx-40 | 150 | 80 | 232 | 102 | 25h6 | 8 | 28 | 4 | 10 | 40 | 160 | 6-M12 | 196 |
xx-63 | 150 | 85 | 220 | 102 | 25js6 | 8 | 28 | 5 | 10 | 47 | 160 | 6-M12 | 215 |
xx-80 | 168 | 85 | 290 | 102 | 25js6 | 8 | 28 | 5 | 10 | 47 | 160 | 6-M12 | 200 |
xx-100 | 184 | 90 | 347 | 124 | 30k6 | 8 | 33 | 10 | 40 | 245 | 6-M12 | 316 | |
xx-160 | 210 | 110 | 364 | 155 | 42k6 | 12 | 45 | 15 | 47 | 260 | |||
xx-250 | 260 | 140 | 364 | 155 | 55k6 | 16 | 59 | 15 | 65 | 280 | |||
代号 | 额定输出转矩 | |||||||
传动比 | 2500 | 4000 | 630 | 8000 | 10000 | 16000 | 25000 | |
xx1 | 6 | · | · | · | · | ○ | ○ | ○ |
7.5 | · | · | · | · | ○ | ○ | ○ | |
8 | · | · | · | · | ○ | ○ | ○ | |
xx2 | 10 | · | · | · | ○ | ○ | ○ | ○ |
11.2 | · | · | · | ○ | ○ | ○ | ○ | |
12.5 | · | · | · | ○ | ○ | ○ | ○ | |
14 | · | · | · | ○ | ○ | ○ | ○ | |
16 | · | · | · | · | · | ○ | ○ | |
18 | · | · | · | · | · | ○ | ○ | |
20 | · | · | · | · | · | ○ | ○ | |
22.4 | · | · | · | · | · | ○ | ○ | |
28 | · | · | · | · | · | ○ | ○ | |
31.5 | · | · | · | · | · | ○ | ○ | |
xx3 | 36 | · | · | · | · | ○ | ○ | ○ |
45 | · | · | · | · | · | ○ | ○ | |
54 | · | · | · | · | · | ○ | ○ | |
56 | · | · | · | · | · | ○ | ○ | |
64 | · | · | · | · | · | ○ | ○ | |
xx4 | 63 | · | · | · | · | · | ○ | ○ |
71 | · | · | · | · | · | ○ | ○ | |
80 | · | · | · | · | · | ○ | ○ | |
90 | · | · | · | · | · | ○ | ○ | |
100 | · | · | · | · | · | ○ | ○ | |
112 | · | · | · | · | · | · | ○ | |
125 | · | · | · | · | · | · | ○ | |
135 | · | · | · | · | · | · | ○ | |
140 | · | · | · | · | · | · | ○ | |
157.5 | · | · | · | · | · | · | ○ | |
160 | · | · | · | · | · | · | ○ | |
180 | · | · | · | · | · | · | ○ | |
195 | · | · | · | · | · | ○ | ○ | |